GE..FO 2RS

Gömbcsapágy szűrési segédlet

A GE..FO 2RS típusú gömbcsapágy leírása
- A GE..FO 2RS típusú hidraulikus munkahenger gömbcsapágyak a GE..FO sorozat továbbfejlesztett változatai, amelyek integrált tömítésekkel vannak ellátva mindkét oldalon a kenőanyag megőrzése és a szennyeződések kizárása érdekében.
- Acél csúszófelületekkel rendelkeznek, amelyek tartósak és megbízhatóak magas terhelési körülmények között.
- A tömítésekkel ellátott változatok esetében a működési hőmérsékleti tartomány -30°C-tól +130°C-ig terjed.
- Zsír vagy olaj kenésére alkalmasak, amely segít a hosszú élettartam és a megbízható működés fenntartásában.
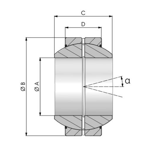
A GE..FO 2RS típusú gömbcsapágy mérettáblázata

Kattintson a cikkszámra a kiválasztott termék árának és raktárkészletének megtekintéséhez.
Cikkszám | A | B | C | D | α | CDA | kg |
---|---|---|---|---|---|---|---|
NGE015FO2R | 15 | 30 | 16 | 10 | 16 | 21.2 | 0,05 |
NGE017FO2R | 17 | 35 | 20 | 12 | 19 | 30 | 0,08 |
NGE020FO2R | 20 | 42 | 25 | 16 | 17 | 48 | 0,15 |
NGE025FO2R | 25 | 47 | 28 | 18 | 17 | 62 | 0,19 |
NGE030FO2R | 30 | 55 | 32 | 20 | 17 | 80 | 0,29 |
NGE035FO2R | 35 | 62 | 35 | 22 | 16 | 100 | 0,39 |
NGE040FO2R | 40 | 68 | 40 | 25 | 17 | 127 | 0,52 |
NGE045FO2R | 45 | 75 | 43 | 28 | 15 | 156 | 0,68 |
NGE050FO2R | 50 | 90 | 56 | 36 | 17 | 245 | 1,40 |
NGE060FO2R | 60 | 105 | 63 | 40 | 17 | 315 | 2,00 |
NGE070FO2R | 70 | 120 | 70 | 45 | 16 | 400 | 2,90 |
NGE080FO2R | 80 | 130 | 75 | 50 | 14 | 490 | 3,50 |
NGE090FO2R | 90 | 150 | 85 | 55 | 15 | 610 | 5,40 |
NGE100FO2R | 100 | 160 | 85 | 55 | 14 | 655 | 5,90 |
NGE110FO2R | 110 | 180 | 100 | 70 | 12 | 950 | 9,70 |
NGE120FO2R | 120 | 210 | 115 | 70 | 16 | 1080 | 15,00 |
NGE140FO2R | 140 | 230 | 130 | 80 | 16 | 1370 | 18,50 |
NGE160FO2R | 160 | 260 | 135 | 80 | 16 | 1530 | 25,00 |
NGE180FO2R | 180 | 290 | 155 | 100 | 14 | 2120 | 35,50 |
NGE200FO2R | 200 | 320 | 165 | 100 | 15 | 2320 | 45,00 |
Radial ball joint - NBGE15FO2RS
Article number: NGE015FO2R
8.9489 € + VAT
Available to order
Manufacturer: --
Manufacturer article number: NBGE15FO2RS
Radial ball joint - NBGE17FO2RS
Article number: NGE017FO2R
10.9944 € + VAT
Available to order
Manufacturer: --
Manufacturer article number: NBGE17FO2RS
Radial ball joint - NBGE20FO2RS
Article number: NGE020FO2R
9.7160 € + VAT
Available to order
Manufacturer: --
Manufacturer article number: NBGE20FO2RS
Radial ball joint - NBGE25FO2RS
Article number: NGE025FO2R
10.9944 € + VAT
Available to order
Manufacturer: --
Manufacturer article number: NBGE25FO2RS
Radial ball joint - NBGE30FO2RS
Article number: NGE030FO2R
14.5739 € + VAT
Available to order
Manufacturer: --
Manufacturer article number: NBGE30FO2RS
Radial ball joint - NBGE35FO2RS
Article number: NGE035FO2R
19.1762 € + VAT
8 pcs in stock
Manufacturer: --
Manufacturer article number: NBGE35FO2RS
Radial ball joint - NBGE40FO2RS
Article number: NGE040FO2R
24.0342 € + VAT
Available to order
Manufacturer: --
Manufacturer article number: NBGE40FO2RS
Radial ball joint - NBGE45FO2RS
Article number: NGE045FO2R
30.4263 € + VAT
Available to order
Manufacturer: --
Manufacturer article number: NBGE45FO2RS
Radial ball joint - NBGE50FO2RS
Article number: NGE050FO2R
43.2104 € + VAT
Available to order
Manufacturer: --
Manufacturer article number: NBGE50FO2RS
Radial ball joint - NBGE60FO2RS
Article number: NGE060FO2R
76.7049 € + VAT
Available to order
Manufacturer: --
Manufacturer article number: NBGE60FO2RS
Radial ball joint - NBGE70FO2RS
Article number: NGE070FO2R
111.9892 € + VAT
Available to order
Manufacturer: --
Manufacturer article number: NBGE70FO2RS
Radial ball joint - NBGE80FO2RS
Article number: NGE080FO2R
151.8757 € + VAT
Available to order
Manufacturer: --
Manufacturer article number: NBGE80FO2RS
Radial ball joint - NBGE90FO2RS
Article number: NGE090FO2R
207.8703 € + VAT
Available to order
Manufacturer: --
Manufacturer article number: NBGE90FO2RS
Radial ball joint - NBGE100FO2RS
Article number: NGE100FO2R
271.7910 € + VAT
Available to order
Manufacturer: --
Manufacturer article number: NBGE100FO2RS
Radial ball joint - NBGE110FO2RS
Article number: NGE110FO2R
431.5929 € + VAT
Available to order
Manufacturer: --
Manufacturer article number: NBGE110FO2RS
Radial ball joint - NBGE120FO2RS
Article number: NGE120FO2R
671.1679 € + VAT
Available to order
Manufacturer: --
Manufacturer article number: NBGE120FO2RS
Radial ball joint - NBGE140FO2RS
Article number: NGE140FO2R
1,038.8400 € + VAT
Available to order
Manufacturer: --
Manufacturer article number: NBGE140FO2RS
Radial ball joint - NBGE160FO2RS
Article number: NGE160FO2R
1,118.6131 € + VAT
Available to order
Manufacturer: --
Manufacturer article number: NBGE160FO2RS
Radial ball joint - NBGE180FO2RS
Article number: NGE180FO2R
2,077.4244 € + VAT
Available to order
Manufacturer: --
Manufacturer article number: NBGE180FO2RS
Radial ball joint - NBGE200FO2RS
Article number: NGE200FO2R
2,237.2263 € + VAT
Available to order
Manufacturer: --
Manufacturer article number: NBGE200FO2RS